Ładowanie...
Ładowanie mapy dealerów...
strona korzysta z plików cookies w celu realizacji usług i zgodnie z
polityką plików cookies
. możesz określić warunki przechowywania lub dostępu do plików cookies w twojej przeglądarce.
Akceptuję
PLN
PLN
Wybierz swojego dostawcę
Strona główna
kontakt
Szukaj
Regulamin
Telefon:
+48 533 329 478
E-mail:
agroport@agroport.tech
Wyszukaj po zastosowaniu
Wybierz producenta
CLAAS
URSUS
MASSEY FERGUSON
JOHN DEERE
DEUTZ FAHR
NEW HOLLAND/HESSTON
Case-IH, MC CORMICK
FENDT
VOLVO
DAVID BROWN
FIAT
FORD
Hanomag
Hurlimann
JCB
KUBOTA
Lamborghini
Landini
RENAULT
SAME
STEYR
UNIMOG
VALMET
ZETOR
Kemper
MENGELE
KRONE
WELGER
Fahr-Köla
DRONNINGBORG
LAVERDA
RIVIERRE CASALIS
Challenger
PRONAR
GERINGHOFF
GALLIGNANI
OROS
AMAZONE
Lerda
KVERNELAND
FORTSHRITT
MTZ
CAPELLO
Italo Svizzera
VICON
UNIA
PÖTTINGER
KUHN
YANMAR
IVECO
BAMFORDS
MANITOU
Fella
Macdon
SAMPO
Perkins
STOLL
TAARUP
I.H.
CUMMINS
Fantini
MASCHIO GASPARDO
Polskie
MERCEDES
CATERPILLAR
SIPMA
Väderstad
NIEMEYER
STRAUTMANN
BISO
0
0,00 PLN
Wybierz swojego dostawcę
Rejestracja
lub
Zaloguj się
+48 533 329 478
agroport@agroport.tech
0
0,00 PLN
Wybierz swojego dostawcę
Szukaj
Ciągniki i pojazdy użytkowe
Gospodarstwo i warsztat
Zbiór zbóż i kukurydzy
Zbiór zielonek i okopowych
Akcesoria i wyposażenie maszyn
Uprawa, nawożenie i ochrony roślin
Przeniesienie napędu
Części według rodzaju
Części według producentów
Pozostałe
Ciągniki i pojazdy użytkowe
Case - IHC
CIĄGNIKI
CIĘŻARÓWKI
CLAAS
Cummins
Części do ładowarek
David Brown
Deutz Fahr
Fendt
Fiat
Ford
JCB
John Deere
KOPARKI
Lamborghini
Landini
ŁADOWARKI TELESKOPOWE
Massey Ferguson
Mc Cormick
Mercedes
New Holland - Ford
Pozostałe
Renault
Same
Silniki
Steyr
Ursus C330
Ursus C360
Valmet
Volvo
Zetor
Więcej...
Zbiór zbóż i kukurydzy
Części do sieczkarni samobieżnych
Hedery do zboża
Kombajny zbożowe
Pozostałe
Przystawki do kukurydzy
Przystawki do rzepaku
Sieczkarnie ciągnione
Sieczkarnie samobieżne
Więcej...
Zbiór zielonek i okopowych
Kombajny okopowe
Kosiarki
Kosiarki samobieżne
ładowacze czołowe
Okopowe
Pozostałe
Prasy
Przetrząsacze
Przewracarki
Przyczepy samozbierające
Wozy paszowe
Zgrabiarki
Więcej...
Akcesoria i wyposażenie maszyn
Akcesoria do ciągników
Elektryka
Farby do maszyn
Hydraulika
Hydraulika siłowa
Lusterka
Oleje i smary
Opony i dętki
Płyty gumowe
Pozostałe
Spirale ślimakowe przenośników
Taśmy hamulcowe
WAŁEK ODB. MOCY
Zaczepy 3-punktowe
Zęby ładowacza czołowego
Więcej...
Wyszukaj po zastosowaniu
Wybierz producenta
CLAAS
URSUS
MASSEY FERGUSON
JOHN DEERE
DEUTZ FAHR
NEW HOLLAND/HESSTON
Case-IH, MC CORMICK
FENDT
VOLVO
DAVID BROWN
FIAT
FORD
Hanomag
Hurlimann
JCB
KUBOTA
Lamborghini
Landini
RENAULT
SAME
STEYR
UNIMOG
VALMET
ZETOR
Kemper
MENGELE
KRONE
WELGER
Fahr-Köla
DRONNINGBORG
LAVERDA
RIVIERRE CASALIS
Challenger
PRONAR
GERINGHOFF
GALLIGNANI
OROS
AMAZONE
Lerda
KVERNELAND
FORTSHRITT
MTZ
CAPELLO
Italo Svizzera
VICON
UNIA
PÖTTINGER
KUHN
YANMAR
IVECO
BAMFORDS
MANITOU
Fella
Macdon
SAMPO
Perkins
STOLL
TAARUP
I.H.
CUMMINS
Fantini
MASCHIO GASPARDO
Polskie
MERCEDES
CATERPILLAR
SIPMA
Väderstad
NIEMEYER
STRAUTMANN
BISO
Strona główna
Części według rodzaju
Włączniki i przełączniki
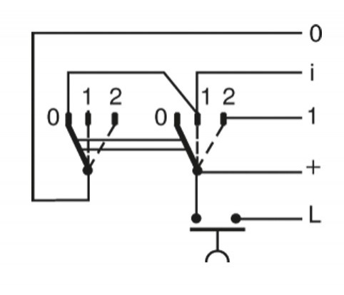
16.212.000.01 Przełącznik wycieraczek COBO
×
16.212.000.01 Przełącznik wycieraczek COBO
Zdjęcia produktu
Włączniki i przełączniki
16.212.000.01 Przełącznik wycieraczek COBO
(0 opinii)
Indeks
: 958-18.01
Producent
:
COBO
Dostępność:
Dostępny
Ilość
Sprawdź cenę
do porównania
do przechowalni
Opis produktu
Numery porównawcze
Zastosowanie
Komentarze (0)
Zastosowanie NEW HOLLAND HESSTON CIĄGNIKI TL TL100 Zastosowanie NEW HOLLAND HESSTON CIĄGNIKI TL TL70 Zastosowanie NEW HOLLAND HESSTON CIĄGNIKI TL TL80 Zastosowanie NEW HOLLAND HESSTON CIĄGNIKI TL TL90 Zastosowanie NEW HOLLAND HESSTON CIĄGNIKI TL Brasil TL100 (Brasil) Zastosowanie NEW HOLLAND HESSTON CIĄGNIKI TL Brasil TL65 (Brasil) Zastosowanie NEW HOLLAND HESSTON CIĄGNIKI TL Brasil TL70 (Brasil) Zastosowanie NEW HOLLAND HESSTON CIĄGNIKI TL Brasil TL80 (Brasil) Zastosowanie NEW HOLLAND HESSTON CIĄGNIKI TL Brasil TL90 (Brasil) Zastosowanie NEW HOLLAND HESSTON CIĄGNIKI TM Brasil TM110 (Brasil) Zastosowanie NEW HOLLAND HESSTON CIĄGNIKI TM Brasil TM120 (Brasil) Zastosowanie NEW HOLLAND HESSTON CIĄGNIKI TM Brasil TM130 (Brasil) Zastosowanie NEW HOLLAND HESSTON CIĄGNIKI TM Brasil TM135 (Brasil) Zastosowanie NEW HOLLAND HESSTON CIĄGNIKI TM Brasil TM140 (Brasil) Zastosowanie NEW HOLLAND HESSTON CIĄGNIKI TM Brasil TM150 (Brasil) Zastosowanie NEW HOLLAND HESSTON CIĄGNIKI TM Brasil TM165 (Brasil) Zastosowanie NEW HOLLAND HESSTON CIĄGNIKI TM Brasil TM180 (Brasil) Zastosowanie NEW HOLLAND HESSTON CIĄGNIKI 60 SERIES 8160 Zastosowanie NEW HOLLAND HESSTON CIĄGNIKI 60 SERIES 8260 Zastosowanie NEW HOLLAND HESSTON CIĄGNIKI 60 SERIES 8360 Zastosowanie NEW HOLLAND HESSTON CIĄGNIKI 60 SERIES 8560 Zastosowanie NEW HOLLAND HESSTON CIĄGNIKI 60 SERIES M115 Zastosowanie NEW HOLLAND HESSTON CIĄGNIKI 60 SERIES M135 Zastosowanie NEW HOLLAND HESSTON CIĄGNIKI 60 SERIES M160 Zastosowanie NEW HOLLAND HESSTON CIĄGNIKI TM 7000 TM7010 Zastosowanie NEW HOLLAND HESSTON CIĄGNIKI TM 7000 TM7020 Zastosowanie NEW HOLLAND HESSTON CIĄGNIKI TM 7000 TM7030 Zastosowanie NEW HOLLAND HESSTON CIĄGNIKI TM 7000 TM7040 Zastosowanie NEW HOLLAND HESSTON CIĄGNIKI TS 6000 TS6000 Zastosowanie NEW HOLLAND HESSTON CIĄGNIKI TS 6000 TS6020 Zastosowanie NEW HOLLAND HESSTON CIĄGNIKI TS 6000 TS6030 Zastosowanie NEW HOLLAND HESSTON CIĄGNIKI TS 6000 TS6040 Zastosowanie FIAT CIĄGNIKI L L60 Zastosowanie FIAT CIĄGNIKI L L65 Zastosowanie FIAT CIĄGNIKI L L75 Zastosowanie FIAT CIĄGNIKI L L85 Zastosowanie FIAT CIĄGNIKI L L95 Zastosowanie FIAT CIĄGNIKI M M100 Zastosowanie FIAT CIĄGNIKI M M115 Zastosowanie FIAT CIĄGNIKI M M135 Zastosowanie FIAT CIĄGNIKI M M160 Zastosowanie FORD CIĄGNIKI 35 4635 Zastosowanie FORD CIĄGNIKI 35 4835 Zastosowanie FORD CIĄGNIKI 35 5635 Zastosowanie FORD CIĄGNIKI 35 7635 Zastosowanie FORD CIĄGNIKI 60 8160 Zastosowanie FORD CIĄGNIKI 60 8260 Zastosowanie FORD CIĄGNIKI 60 8360TURBO Zastosowanie FORD CIĄGNIKI 60 8560TURBO Zastosowanie Case-IH, MC CORMICK CIĄGNIKI MXM MXM135 (BRASIL) Zastosowanie Case-IH, MC CORMICK CIĄGNIKI MXM MXM150 (BRASIL) Zastosowanie Case-IH, MC CORMICK CIĄGNIKI MXM MXM165 (BRASIL) Zastosowanie Case-IH, MC CORMICK CIĄGNIKI MXM MXM180 (BRASIL)
82000511 , 82007130, 958-18, 16.212.000.01, 16.212.000, 1621200001, 16212000, 35194, SF82007130
Na podstawie 0 opinii
ogólnie
0
0
0
0
0
Dodaj nowy komentarz
Ocena
Opinia
*
Użytkownik
*
*
Oświadczam, że zapoznałem się z
informacją
dotyczącą przetwarzania moich danych osobowych w celu wyrażenia opinii o towarze
Dodaj
Zastosowanie
NEW HOLLAND/HESSTON
CIĄGNIKI
TL
TL100
TL70
TL80
TL90
TL Brasil
TL100 (Brasil)
TL65 (Brasil)
TL70 (Brasil)
TL80 (Brasil)
TL90 (Brasil)
TM Brasil
TM110 (Brasil)
TM120 (Brasil)
TM130 (Brasil)
TM135 (Brasil)
TM140 (Brasil)
TM150 (Brasil)
TM165 (Brasil)
TM180 (Brasil)
60 SERIES
8160
8260
8360
8560
M115
M135
M160
TM 7000
TM7010
TM7020
TM7030
TM7040
TS 6000
TS6000
TS6020
TS6030
TS6040
Case-IH, MC CORMICK
CIĄGNIKI
MXM
MXM135 (BRASIL)
MXM150 (BRASIL)
MXM165 (BRASIL)
MXM180 (BRASIL)
FIAT
CIĄGNIKI
L
L60
L65
L75
L85
L95
M
M100
M115
M135
M160
FORD
CIĄGNIKI
35
4635
4835
5635
7635
60
8160
8260
8360TURBO
8560TURBO
Powrót na stronę główną