Ładowanie...
Ładowanie mapy dealerów...
strona korzysta z plików cookies w celu realizacji usług i zgodnie z
polityką plików cookies
. możesz określić warunki przechowywania lub dostępu do plików cookies w twojej przeglądarce.
Akceptuję
PLN
PLN
Wybierz swojego dostawcę
Strona główna
kontakt
Szukaj
Regulamin
Telefon:
+48 533 329 478
E-mail:
agroport@agroport.tech
Wyszukaj po zastosowaniu
Wybierz producenta
CLAAS
URSUS
MASSEY FERGUSON
JOHN DEERE
DEUTZ FAHR
NEW HOLLAND/HESSTON
Case-IH, MC CORMICK
FENDT
VOLVO
DAVID BROWN
FIAT
FORD
Hanomag
Hurlimann
JCB
KUBOTA
Lamborghini
Landini
RENAULT
SAME
STEYR
UNIMOG
VALMET
ZETOR
Kemper
MENGELE
KRONE
WELGER
Fahr-Köla
DRONNINGBORG
LAVERDA
RIVIERRE CASALIS
Challenger
PRONAR
GERINGHOFF
GALLIGNANI
OROS
AMAZONE
Lerda
KVERNELAND
FORTSHRITT
MTZ
CAPELLO
Italo Svizzera
VICON
UNIA
PÖTTINGER
KUHN
YANMAR
IVECO
BAMFORDS
MANITOU
Fella
Macdon
SAMPO
Perkins
STOLL
TAARUP
I.H.
CUMMINS
Fantini
MASCHIO GASPARDO
Polskie
MERCEDES
CATERPILLAR
SIPMA
Väderstad
NIEMEYER
STRAUTMANN
BISO
1
86,00 PLN
Wybierz swojego dostawcę
Rejestracja
lub
Zaloguj się
+48 533 329 478
agroport@agroport.tech
1
86,00 PLN
Wybierz swojego dostawcę
Szukaj
Ciągniki i pojazdy użytkowe
Gospodarstwo i warsztat
Zbiór zbóż i kukurydzy
Zbiór zielonek i okopowych
Akcesoria i wyposażenie maszyn
Uprawa, nawożenie i ochrony roślin
Przeniesienie napędu
Części według rodzaju
Części według producentów
Pozostałe
Ciągniki i pojazdy użytkowe
Case - IHC
CIĄGNIKI
CIĘŻARÓWKI
CLAAS
Cummins
Części do ładowarek
David Brown
Deutz Fahr
Fendt
Fiat
Ford
JCB
John Deere
KOPARKI
Lamborghini
Landini
ŁADOWARKI TELESKOPOWE
Massey Ferguson
Mc Cormick
Mercedes
New Holland - Ford
Pozostałe
Renault
Same
Silniki
Steyr
Ursus C330
Ursus C360
Valmet
Volvo
Zetor
Więcej...
Zbiór zbóż i kukurydzy
Części do sieczkarni samobieżnych
Hedery do zboża
Kombajny zbożowe
Pozostałe
Przystawki do kukurydzy
Przystawki do rzepaku
Sieczkarnie ciągnione
Sieczkarnie samobieżne
Więcej...
Zbiór zielonek i okopowych
Kombajny okopowe
Kosiarki
Kosiarki samobieżne
ładowacze czołowe
Okopowe
Pozostałe
Prasy
Przetrząsacze
Przewracarki
Przyczepy samozbierające
Wozy paszowe
Zgrabiarki
Więcej...
Akcesoria i wyposażenie maszyn
Akcesoria do ciągników
Elektryka
Farby do maszyn
Hydraulika
Hydraulika siłowa
Lusterka
Oleje i smary
Opony i dętki
Płyty gumowe
Pozostałe
Spirale ślimakowe przenośników
Taśmy hamulcowe
WAŁEK ODB. MOCY
Zaczepy 3-punktowe
Zęby ładowacza czołowego
Więcej...
Wyszukaj po zastosowaniu
Wybierz producenta
CLAAS
URSUS
MASSEY FERGUSON
JOHN DEERE
DEUTZ FAHR
NEW HOLLAND/HESSTON
Case-IH, MC CORMICK
FENDT
VOLVO
DAVID BROWN
FIAT
FORD
Hanomag
Hurlimann
JCB
KUBOTA
Lamborghini
Landini
RENAULT
SAME
STEYR
UNIMOG
VALMET
ZETOR
Kemper
MENGELE
KRONE
WELGER
Fahr-Köla
DRONNINGBORG
LAVERDA
RIVIERRE CASALIS
Challenger
PRONAR
GERINGHOFF
GALLIGNANI
OROS
AMAZONE
Lerda
KVERNELAND
FORTSHRITT
MTZ
CAPELLO
Italo Svizzera
VICON
UNIA
PÖTTINGER
KUHN
YANMAR
IVECO
BAMFORDS
MANITOU
Fella
Macdon
SAMPO
Perkins
STOLL
TAARUP
I.H.
CUMMINS
Fantini
MASCHIO GASPARDO
Polskie
MERCEDES
CATERPILLAR
SIPMA
Väderstad
NIEMEYER
STRAUTMANN
BISO
Strona główna
Części według rodzaju
Tłoki silnika
3637360M91 Tłok sworzeń ciągnika
×
3637360M91 Tłok sworzeń ciągnika
Zdjęcia produktu
Tłoki silnika
3637360M91 Tłok sworzeń ciągnika
(0 opinii)
Producent domyślny
Indeks
: 3637360M91.01
Producent
:
Producent domyślny
Dostępność:
Dostępny
Ilość
Sprawdź cenę
do porównania
do przechowalni
Opis produktu
Numery porównawcze
Podobne produkty
Porady techniczne
Zastosowanie
Parametry
Komentarze (0)
Zastosowanie MASSEY FERGUSON CIĄGNIKI 1000 MF 1004T Zastosowanie MASSEY FERGUSON CIĄGNIKI 1000 MF 1007 Zastosowanie MASSEY FERGUSON CIĄGNIKI 300 MF 390T Zastosowanie MASSEY FERGUSON CIĄGNIKI 300 MF 393TLX Zastosowanie MASSEY FERGUSON CIĄGNIKI 300 MF 394TAQ Zastosowanie MASSEY FERGUSON CIĄGNIKI 300 MF 396CT Zastosowanie MASSEY FERGUSON CIĄGNIKI 300 MF 397T Zastosowanie MASSEY FERGUSON CIĄGNIKI 300 MF 398 Zastosowanie MASSEY FERGUSON CIĄGNIKI 3000 MF 3065 Zastosowanie MASSEY FERGUSON CIĄGNIKI 3000 MF 3065S Zastosowanie MASSEY FERGUSON CIĄGNIKI 3000 MF 3070 Zastosowanie MASSEY FERGUSON CIĄGNIKI 600 MF 698T Zastosowanie MASSEY FERGUSON KOPARKO ŁADOWARKI MF 60HX Zastosowanie MASSEY FERGUSON KOPARKO ŁADOWARKI MF 60HX-T Zastosowanie MASSEY FERGUSON KOMBAJNY ZBOŻOWE MF 20XP Zastosowanie JCB ŁADOWARKI TELESKOPOWE 520 520-2 (LJ) Zastosowanie JCB ŁADOWARKI TELESKOPOWE 520 520-2HL (LJ) Zastosowanie JCB ŁADOWARKI TELESKOPOWE 520 520-4 (LJ) Zastosowanie JCB ŁADOWARKI TELESKOPOWE 520 520-4HL (LJ) Zastosowanie JCB ŁADOWARKI TELESKOPOWE 520 520M-2 (LJ) Zastosowanie JCB ŁADOWARKI TELESKOPOWE 520 520M-4 (LJ) Zastosowanie JCB ŁADOWARKI TELESKOPOWE 525 525-2 (LJ) Zastosowanie JCB ŁADOWARKI TELESKOPOWE 525 525-4 (LJ) Zastosowanie JCB ŁADOWARKI TELESKOPOWE 525 525B-2 (LJ) Zastosowanie JCB ŁADOWARKI TELESKOPOWE 525 525B-4HL Zastosowanie JCB ŁADOWARKI TELESKOPOWE 530 530-2 (LJ) Zastosowanie JCB ŁADOWARKI TELESKOPOWE 530 530-2HL (LJ) Zastosowanie JCB ŁADOWARKI TELESKOPOWE 530 530-4 (LJ) Zastosowanie JCB ŁADOWARKI TELESKOPOWE 530 530-4HL (LJ) Zastosowanie JCB ŁADOWARKI TELESKOPOWE 530 530B-4 (LJ) Zastosowanie JCB ŁADOWARKI TELESKOPOWE 530 530BHL-2 (LJ) Zastosowanie JCB ŁADOWARKI TELESKOPOWE 530 530BHL-4 (LJ) Zastosowanie JCB ŁADOWARKI TELESKOPOWE 540 540B4 (LJ) Zastosowanie JCB ŁADOWARKI TELESKOPOWE 540 540BM4 (LJ) Zastosowanie Landini CIĄGNIKI 60 9060 Zastosowanie Landini CIĄGNIKI 80 9080 Zastosowanie Landini CIĄGNIKI 80 9080HC Zastosowanie Landini CIĄGNIKI 80 9880 Zastosowanie Landini CIĄGNIKI 80 9880HC Zastosowanie Landini CIĄGNIKI Advantage L95GT Zastosowanie Landini CIĄGNIKI Blizzard Blizzard 95 Zastosowanie Landini CIĄGNIKI Trekker C95 Zastosowanie JCB ŁADOWARKI TELESKOPOWE 525 525B-2HL (LJ)
3637360M91, 3639438M1, U5LP0022, U5LP0046, 33-74,
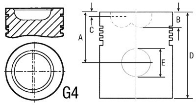
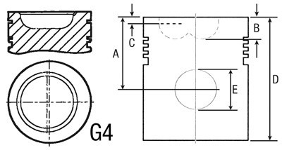
Podstawowe
D (mm):
108.25
B (mm):
20.35
Typ:
3-rings
E (mm):
38.10
A (mm):
70.25
Średnica (mm):
98.48
Na podstawie 0 opinii
ogólnie
0
0
0
0
0
Dodaj nowy komentarz
Ocena
Opinia
*
Użytkownik
*
*
Oświadczam, że zapoznałem się z
informacją
dotyczącą przetwarzania moich danych osobowych w celu wyrażenia opinii o towarze
Dodaj
PERKINS AT4.236
Zastosowanie
MASSEY FERGUSON
KOMBAJNY ZBOŻOWE
MF 20XP
CIĄGNIKI
1000
MF 1004T
MF 1007
300
MF 390T
MF 393TLX
MF 394TAQ
MF 396CT
MF 397T
MF 398
3000
MF 3065
MF 3065S
MF 3070
600
MF 698T
KOPARKO ŁADOWARKI
MF 60HX
MF 60HX-T
JCB
ŁADOWARKI TELESKOPOWE
520
520-2 (LJ)
520-2HL (LJ)
520-4 (LJ)
520-4HL (LJ)
520M-2 (LJ)
520M-4 (LJ)
525
525-2 (LJ)
525-4 (LJ)
525B-2 (LJ)
525B-4HL
525B-2HL (LJ)
530
530-2 (LJ)
530-2HL (LJ)
530-4 (LJ)
530-4HL (LJ)
530B-4 (LJ)
530BHL-2 (LJ)
530BHL-4 (LJ)
540
540B4 (LJ)
540BM4 (LJ)
Landini
CIĄGNIKI
60
9060
80
9080
9080HC
9880
9880HC
Advantage
L95GT
Blizzard
Blizzard 95
Trekker
C95
Powrót na stronę główną