Ładowanie...
Ładowanie mapy dealerów...
strona korzysta z plików cookies w celu realizacji usług i zgodnie z
polityką plików cookies
. możesz określić warunki przechowywania lub dostępu do plików cookies w twojej przeglądarce.
Akceptuję
PLN
PLN
Wybierz swojego dostawcę
Strona główna
kontakt
Szukaj
Regulamin
Telefon:
+48 533 329 478
E-mail:
agroport@agroport.tech
Wyszukaj po zastosowaniu
Wybierz producenta
CLAAS
URSUS
MASSEY FERGUSON
JOHN DEERE
DEUTZ FAHR
NEW HOLLAND/HESSTON
Case-IH, MC CORMICK
FENDT
VOLVO
DAVID BROWN
FIAT
FORD
Hanomag
Hurlimann
JCB
KUBOTA
Lamborghini
Landini
RENAULT
SAME
STEYR
UNIMOG
VALMET
ZETOR
Kemper
MENGELE
KRONE
WELGER
Fahr-Köla
DRONNINGBORG
LAVERDA
RIVIERRE CASALIS
Challenger
PRONAR
GERINGHOFF
GALLIGNANI
OROS
AMAZONE
Lerda
KVERNELAND
FORTSHRITT
MTZ
CAPELLO
Italo Svizzera
VICON
UNIA
PÖTTINGER
KUHN
YANMAR
IVECO
BAMFORDS
MANITOU
Fella
Macdon
SAMPO
Perkins
STOLL
TAARUP
I.H.
CUMMINS
Fantini
MASCHIO GASPARDO
Polskie
MERCEDES
CATERPILLAR
SIPMA
Väderstad
NIEMEYER
STRAUTMANN
BISO
0
0,00 PLN
Wybierz swojego dostawcę
Rejestracja
lub
Zaloguj się
+48 533 329 478
agroport@agroport.tech
0
0,00 PLN
Wybierz swojego dostawcę
Szukaj
Ciągniki i pojazdy użytkowe
Gospodarstwo i warsztat
Zbiór zbóż i kukurydzy
Zbiór zielonek i okopowych
Akcesoria i wyposażenie maszyn
Uprawa, nawożenie i ochrony roślin
Przeniesienie napędu
Części według rodzaju
Części według producentów
Pozostałe
Ciągniki i pojazdy użytkowe
Case - IHC
CIĄGNIKI
CIĘŻARÓWKI
CLAAS
Cummins
Części do ładowarek
David Brown
Deutz Fahr
Fendt
Fiat
Ford
JCB
John Deere
KOPARKI
Lamborghini
Landini
ŁADOWARKI TELESKOPOWE
Massey Ferguson
Mc Cormick
Mercedes
New Holland - Ford
Pozostałe
Renault
Same
Silniki
Steyr
Ursus C330
Ursus C360
Valmet
Volvo
Zetor
Więcej...
Zbiór zbóż i kukurydzy
Części do sieczkarni samobieżnych
Hedery do zboża
Kombajny zbożowe
Pozostałe
Przystawki do kukurydzy
Przystawki do rzepaku
Sieczkarnie ciągnione
Sieczkarnie samobieżne
Więcej...
Zbiór zielonek i okopowych
Kombajny okopowe
Kosiarki
Kosiarki samobieżne
ładowacze czołowe
Okopowe
Pozostałe
Prasy
Przetrząsacze
Przewracarki
Przyczepy samozbierające
Wozy paszowe
Zgrabiarki
Więcej...
Akcesoria i wyposażenie maszyn
Akcesoria do ciągników
Elektryka
Farby do maszyn
Hydraulika
Hydraulika siłowa
Lusterka
Oleje i smary
Opony i dętki
Płyty gumowe
Pozostałe
Spirale ślimakowe przenośników
Taśmy hamulcowe
WAŁEK ODB. MOCY
Zaczepy 3-punktowe
Zęby ładowacza czołowego
Więcej...
Wyszukaj po zastosowaniu
Wybierz producenta
CLAAS
URSUS
MASSEY FERGUSON
JOHN DEERE
DEUTZ FAHR
NEW HOLLAND/HESSTON
Case-IH, MC CORMICK
FENDT
VOLVO
DAVID BROWN
FIAT
FORD
Hanomag
Hurlimann
JCB
KUBOTA
Lamborghini
Landini
RENAULT
SAME
STEYR
UNIMOG
VALMET
ZETOR
Kemper
MENGELE
KRONE
WELGER
Fahr-Köla
DRONNINGBORG
LAVERDA
RIVIERRE CASALIS
Challenger
PRONAR
GERINGHOFF
GALLIGNANI
OROS
AMAZONE
Lerda
KVERNELAND
FORTSHRITT
MTZ
CAPELLO
Italo Svizzera
VICON
UNIA
PÖTTINGER
KUHN
YANMAR
IVECO
BAMFORDS
MANITOU
Fella
Macdon
SAMPO
Perkins
STOLL
TAARUP
I.H.
CUMMINS
Fantini
MASCHIO GASPARDO
Polskie
MERCEDES
CATERPILLAR
SIPMA
Väderstad
NIEMEYER
STRAUTMANN
BISO
Strona główna
Części według rodzaju
Tłoki silnika
734460M91 Tłok sworzeń, MASSEY FERGUSON 734460M91 PERKINS PER81512
×
734460M91 Tłok sworzeń, MASSEY FERGUSON 734460M91 PERKINS PER81512
Zdjęcia produktu
Tłoki silnika
734460M91 Tłok sworzeń, MASSEY FERGUSON 734460M91 PERKINS PER81512
(0 opinii)
Producent domyślny
Indeks
: 33-4
Producent
:
Producent domyślny
Dostępność:
Dostępny
Ilość
Sprawdź cenę
do porównania
do przechowalni
Opis produktu
Numery porównawcze
Zastosowanie
Parametry
Komentarze (0)
Zastosowanie MASSEY FERGUSON CIĄGNIKI 300 MF 365 Zastosowanie MASSEY FERGUSON CIĄGNIKI 35 MF 35 Zastosowanie MASSEY FERGUSON CIĄGNIKI 35 MF 65 Zastosowanie MASSEY FERGUSON CIĄGNIKI 700-800 MF 865 Zastosowanie MASSEY FERGUSON KOPARKO ŁADOWARKI MF 203 Zastosowanie MASSEY FERGUSON KOPARKO ŁADOWARKI MF 205
59155, 81512, 33-4,
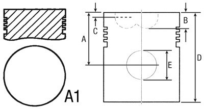
Podstawowe
D (mm):
107.70
E (mm):
31.75
Typ:
5-rings
A (mm):
56.92
Średnica (mm):
91.49
Na podstawie 0 opinii
ogólnie
0
0
0
0
0
Dodaj nowy komentarz
Ocena
Opinia
*
Użytkownik
*
*
Oświadczam, że zapoznałem się z
informacją
dotyczącą przetwarzania moich danych osobowych w celu wyrażenia opinii o towarze
Dodaj
Zastosowanie
MASSEY FERGUSON
CIĄGNIKI
300
MF 365
35
MF 35
MF 65
700-800
MF 865
KOPARKO ŁADOWARKI
MF 203
MF 205
Powrót na stronę główną