Ładowanie...
Ładowanie mapy dealerów...
strona korzysta z plików cookies w celu realizacji usług i zgodnie z
polityką plików cookies
. możesz określić warunki przechowywania lub dostępu do plików cookies w twojej przeglądarce.
Akceptuję
PLN
PLN
Wybierz swojego dostawcę
Strona główna
kontakt
Szukaj
Regulamin
Telefon:
+48 533 329 478
E-mail:
agroport@agroport.tech
Wyszukaj po zastosowaniu
Wybierz producenta
CLAAS
URSUS
MASSEY FERGUSON
JOHN DEERE
DEUTZ FAHR
NEW HOLLAND/HESSTON
Case-IH, MC CORMICK
FENDT
VOLVO
DAVID BROWN
FIAT
FORD
Hanomag
Hurlimann
JCB
KUBOTA
Lamborghini
Landini
RENAULT
SAME
STEYR
UNIMOG
VALMET
ZETOR
Kemper
MENGELE
KRONE
WELGER
Fahr-Köla
DRONNINGBORG
LAVERDA
RIVIERRE CASALIS
Challenger
PRONAR
GERINGHOFF
GALLIGNANI
OROS
AMAZONE
Lerda
KVERNELAND
FORTSHRITT
MTZ
CAPELLO
Italo Svizzera
VICON
UNIA
PÖTTINGER
KUHN
YANMAR
IVECO
BAMFORDS
MANITOU
Fella
Macdon
SAMPO
Perkins
STOLL
TAARUP
I.H.
CUMMINS
Fantini
MASCHIO GASPARDO
Polskie
MERCEDES
CATERPILLAR
SIPMA
Väderstad
NIEMEYER
STRAUTMANN
BISO
0
0,00 PLN
Wybierz swojego dostawcę
Rejestracja
lub
Zaloguj się
+48 533 329 478
agroport@agroport.tech
0
0,00 PLN
Wybierz swojego dostawcę
Szukaj
Ciągniki i pojazdy użytkowe
Gospodarstwo i warsztat
Zbiór zbóż i kukurydzy
Zbiór zielonek i okopowych
Akcesoria i wyposażenie maszyn
Uprawa, nawożenie i ochrony roślin
Przeniesienie napędu
Części według rodzaju
Części według producentów
Pozostałe
Ciągniki i pojazdy użytkowe
Case - IHC
CIĄGNIKI
CIĘŻARÓWKI
CLAAS
Cummins
Części do ładowarek
David Brown
Deutz Fahr
Fendt
Fiat
Ford
JCB
John Deere
KOPARKI
Lamborghini
Landini
ŁADOWARKI TELESKOPOWE
Massey Ferguson
Mc Cormick
Mercedes
New Holland - Ford
Pozostałe
Renault
Same
Silniki
Steyr
Ursus C330
Ursus C360
Valmet
Volvo
Zetor
Więcej...
Zbiór zbóż i kukurydzy
Części do sieczkarni samobieżnych
Hedery do zboża
Kombajny zbożowe
Pozostałe
Przystawki do kukurydzy
Przystawki do rzepaku
Sieczkarnie ciągnione
Sieczkarnie samobieżne
Więcej...
Zbiór zielonek i okopowych
Kombajny okopowe
Kosiarki
Kosiarki samobieżne
ładowacze czołowe
Okopowe
Pozostałe
Prasy
Przetrząsacze
Przewracarki
Przyczepy samozbierające
Wozy paszowe
Zgrabiarki
Więcej...
Akcesoria i wyposażenie maszyn
Akcesoria do ciągników
Elektryka
Farby do maszyn
Hydraulika
Hydraulika siłowa
Lusterka
Oleje i smary
Opony i dętki
Płyty gumowe
Pozostałe
Spirale ślimakowe przenośników
Taśmy hamulcowe
WAŁEK ODB. MOCY
Zaczepy 3-punktowe
Zęby ładowacza czołowego
Więcej...
Wyszukaj po zastosowaniu
Wybierz producenta
CLAAS
URSUS
MASSEY FERGUSON
JOHN DEERE
DEUTZ FAHR
NEW HOLLAND/HESSTON
Case-IH, MC CORMICK
FENDT
VOLVO
DAVID BROWN
FIAT
FORD
Hanomag
Hurlimann
JCB
KUBOTA
Lamborghini
Landini
RENAULT
SAME
STEYR
UNIMOG
VALMET
ZETOR
Kemper
MENGELE
KRONE
WELGER
Fahr-Köla
DRONNINGBORG
LAVERDA
RIVIERRE CASALIS
Challenger
PRONAR
GERINGHOFF
GALLIGNANI
OROS
AMAZONE
Lerda
KVERNELAND
FORTSHRITT
MTZ
CAPELLO
Italo Svizzera
VICON
UNIA
PÖTTINGER
KUHN
YANMAR
IVECO
BAMFORDS
MANITOU
Fella
Macdon
SAMPO
Perkins
STOLL
TAARUP
I.H.
CUMMINS
Fantini
MASCHIO GASPARDO
Polskie
MERCEDES
CATERPILLAR
SIPMA
Väderstad
NIEMEYER
STRAUTMANN
BISO
Strona główna
Części według rodzaju
Tłoki silnika
JAG99-0113 Tłok ze sworzeń
Produkt został zapamiętany
Do przechowalni
×
JAG99-0113 Tłok ze sworzeń
Zdjęcia produktu
Tłoki silnika
JAG99-0113 Tłok ze sworzeń
(0 opinii)
Producent domyślny
Indeks
: 33-108
Producent
:
Producent domyślny
Dostępność:
Dostępny
Ilość
Sprawdź cenę
do porównania
Usuń z przechowalni
Opis produktu
Numery porównawcze
Podobne produkty
Zastosowanie
Parametry
Komentarze (0)
Zastosowanie MASSEY FERGUSON KOMBAJNY ZBOŻOWE MF 760 Zastosowanie MASSEY FERGUSON CIĄGNIKI 3000 MF 3075 Zastosowanie MASSEY FERGUSON CIĄGNIKI 3100 MF 3120 Zastosowanie MASSEY FERGUSON CIĄGNIKI 3100 MF 3120T Zastosowanie MASSEY FERGUSON CIĄGNIKI 3100 MF 3125 Zastosowanie MASSEY FERGUSON CIĄGNIKI 3100 MF 3140 Zastosowanie MASSEY FERGUSON CIĄGNIKI 3600 MF 3635 Zastosowanie MASSEY FERGUSON CIĄGNIKI 3600 MF 3645 Zastosowanie MASSEY FERGUSON CIĄGNIKI 3600 MF 3655 Zastosowanie MASSEY FERGUSON CIĄGNIKI 3600 MF 3660 Zastosowanie MASSEY FERGUSON CIĄGNIKI 4200 MF 4245 Zastosowanie MASSEY FERGUSON CIĄGNIKI 4200 MF 4245HV Zastosowanie MASSEY FERGUSON CIĄGNIKI 4200 MF 4255 Zastosowanie MASSEY FERGUSON CIĄGNIKI 4200 MF 4255HV Zastosowanie MASSEY FERGUSON CIĄGNIKI 4300 MF 4345 Zastosowanie MASSEY FERGUSON CIĄGNIKI 4300 MF 4345HV Zastosowanie MASSEY FERGUSON CIĄGNIKI 4300 MF 4355 Zastosowanie MASSEY FERGUSON CIĄGNIKI 4300 MF 4355HV Zastosowanie MASSEY FERGUSON CIĄGNIKI 6100 MF 6130 Zastosowanie MASSEY FERGUSON CIĄGNIKI 6100 MF 6140 Zastosowanie MASSEY FERGUSON CIĄGNIKI 6100 MF 6150 Zastosowanie MASSEY FERGUSON CIĄGNIKI 6100 MF 6180 Zastosowanie MASSEY FERGUSON CIĄGNIKI 6100 MF 6190 Zastosowanie MASSEY FERGUSON CIĄGNIKI 700-800 MF 865 Zastosowanie MASSEY FERGUSON CIĄGNIKI 8100 MF 8110 Zastosowanie MASSEY FERGUSON CIĄGNIKI 8100 MF 8120 Zastosowanie MASSEY FERGUSON CIĄGNIKI 8100 MF 8130 Zastosowanie MASSEY FERGUSON ŁADOWARKI TELESKOPOWE MF 8925T Zastosowanie MASSEY FERGUSON ŁADOWARKI TELESKOPOWE MF 8926T Zastosowanie MASSEY FERGUSON ŁADOWARKI TELESKOPOWE MF 8937T Zastosowanie MASSEY FERGUSON ŁADOWARKI TELESKOPOWE MF 8939T Zastosowanie Landini CIĄGNIKI Legend Legend 130 Zastosowanie Landini CIĄGNIKI Legend Legend 145 Zastosowanie Landini CIĄGNIKI Legend Legend 165 Zastosowanie MASSEY FERGUSON KOMBAJNY ZBOŻOWE MF 860 Zastosowanie MASSEY FERGUSON KOPARKO ŁADOWARKI MF 965 Zastosowanie MASSEY FERGUSON KOMBAJNY ZBOŻOWE MF 860S Zastosowanie MASSEY FERGUSON KOMBAJNY ZBOŻOWE MF 860SE
3637031M91, 3638460M91, 3638755M91, 3638796M91, 3640593M91, U5LL0001, U5LL0002, U5LL0005, U5LL0009, U5LL0011, U5LL0012, U5LL0013, U5LL0014, 33-108
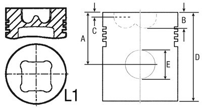
Podstawowe
Średnica (mm):
100.00
D (mm):
108.06
B (mm):
19.48
E (mm):
38.10
A (mm):
70.02
Na podstawie 0 opinii
ogólnie
0
0
0
0
0
Dodaj nowy komentarz
Ocena
Opinia
*
Użytkownik
*
*
Oświadczam, że zapoznałem się z
informacją
dotyczącą przetwarzania moich danych osobowych w celu wyrażenia opinii o towarze
Dodaj
Zastosowanie
MASSEY FERGUSON
KOMBAJNY ZBOŻOWE
MF 760
MF 860
MF 860S
MF 860SE
CIĄGNIKI
3000
MF 3075
3100
MF 3120
MF 3120T
MF 3125
MF 3140
3600
MF 3635
MF 3645
MF 3655
MF 3660
4200
MF 4245
MF 4245HV
MF 4255
MF 4255HV
4300
MF 4345
MF 4345HV
MF 4355
MF 4355HV
6100
MF 6130
MF 6140
MF 6150
MF 6180
MF 6190
700-800
MF 865
8100
MF 8110
MF 8120
MF 8130
KOPARKO ŁADOWARKI
MF 965
ŁADOWARKI TELESKOPOWE
MF 8925T
MF 8926T
MF 8937T
MF 8939T
Landini
CIĄGNIKI
Legend
Legend 130
Legend 145
Legend 165
Podobne produkty
Tłoki silnika
JAG99-0113 Tłok ze sworzniem, MASSEY FERGUSON 3637031M91 3640593M91
33-108.01
(0)
Indeks: 33-108.01
Powrót na stronę główną