Ładowanie...
Ładowanie mapy dealerów...
strona korzysta z plików cookies w celu realizacji usług i zgodnie z
polityką plików cookies
. możesz określić warunki przechowywania lub dostępu do plików cookies w twojej przeglądarce.
Akceptuję
PLN
PLN
Wybierz swojego dostawcę
Strona główna
kontakt
Szukaj
Regulamin
Telefon:
+48 533 329 478
E-mail:
agroport@agroport.tech
Wyszukaj po zastosowaniu
Wybierz producenta
CLAAS
URSUS
MASSEY FERGUSON
JOHN DEERE
DEUTZ FAHR
NEW HOLLAND/HESSTON
Case-IH, MC CORMICK
FENDT
VOLVO
DAVID BROWN
FIAT
FORD
Hanomag
Hurlimann
JCB
KUBOTA
Lamborghini
Landini
RENAULT
SAME
STEYR
UNIMOG
VALMET
ZETOR
Kemper
MENGELE
KRONE
WELGER
Fahr-Köla
DRONNINGBORG
LAVERDA
RIVIERRE CASALIS
Challenger
PRONAR
GERINGHOFF
GALLIGNANI
OROS
AMAZONE
Lerda
KVERNELAND
FORTSHRITT
MTZ
CAPELLO
Italo Svizzera
VICON
UNIA
PÖTTINGER
KUHN
YANMAR
IVECO
BAMFORDS
MANITOU
Fella
Macdon
SAMPO
Perkins
STOLL
TAARUP
I.H.
CUMMINS
Fantini
MASCHIO GASPARDO
Polskie
MERCEDES
CATERPILLAR
SIPMA
Väderstad
NIEMEYER
STRAUTMANN
BISO
0
0,00 PLN
Wybierz swojego dostawcę
Rejestracja
lub
Zaloguj się
+48 533 329 478
agroport@agroport.tech
0
0,00 PLN
Wybierz swojego dostawcę
Szukaj
Ciągniki i pojazdy użytkowe
Gospodarstwo i warsztat
Zbiór zbóż i kukurydzy
Zbiór zielonek i okopowych
Akcesoria i wyposażenie maszyn
Uprawa, nawożenie i ochrony roślin
Przeniesienie napędu
Części według rodzaju
Części według producentów
Pozostałe
Ciągniki i pojazdy użytkowe
Case - IHC
CIĄGNIKI
CIĘŻARÓWKI
CLAAS
Cummins
Części do ładowarek
David Brown
Deutz Fahr
Fendt
Fiat
Ford
JCB
John Deere
KOPARKI
Lamborghini
Landini
ŁADOWARKI TELESKOPOWE
Massey Ferguson
Mc Cormick
Mercedes
New Holland - Ford
Pozostałe
Renault
Same
Silniki
Steyr
Ursus C330
Ursus C360
Valmet
Volvo
Zetor
Więcej...
Zbiór zbóż i kukurydzy
Części do sieczkarni samobieżnych
Hedery do zboża
Kombajny zbożowe
Pozostałe
Przystawki do kukurydzy
Przystawki do rzepaku
Sieczkarnie ciągnione
Sieczkarnie samobieżne
Więcej...
Zbiór zielonek i okopowych
Kombajny okopowe
Kosiarki
Kosiarki samobieżne
ładowacze czołowe
Okopowe
Pozostałe
Prasy
Przetrząsacze
Przewracarki
Przyczepy samozbierające
Wozy paszowe
Zgrabiarki
Więcej...
Akcesoria i wyposażenie maszyn
Akcesoria do ciągników
Elektryka
Farby do maszyn
Hydraulika
Hydraulika siłowa
Lusterka
Oleje i smary
Opony i dętki
Płyty gumowe
Pozostałe
Spirale ślimakowe przenośników
Taśmy hamulcowe
WAŁEK ODB. MOCY
Zaczepy 3-punktowe
Zęby ładowacza czołowego
Więcej...
Wyszukaj po zastosowaniu
Wybierz producenta
CLAAS
URSUS
MASSEY FERGUSON
JOHN DEERE
DEUTZ FAHR
NEW HOLLAND/HESSTON
Case-IH, MC CORMICK
FENDT
VOLVO
DAVID BROWN
FIAT
FORD
Hanomag
Hurlimann
JCB
KUBOTA
Lamborghini
Landini
RENAULT
SAME
STEYR
UNIMOG
VALMET
ZETOR
Kemper
MENGELE
KRONE
WELGER
Fahr-Köla
DRONNINGBORG
LAVERDA
RIVIERRE CASALIS
Challenger
PRONAR
GERINGHOFF
GALLIGNANI
OROS
AMAZONE
Lerda
KVERNELAND
FORTSHRITT
MTZ
CAPELLO
Italo Svizzera
VICON
UNIA
PÖTTINGER
KUHN
YANMAR
IVECO
BAMFORDS
MANITOU
Fella
Macdon
SAMPO
Perkins
STOLL
TAARUP
I.H.
CUMMINS
Fantini
MASCHIO GASPARDO
Polskie
MERCEDES
CATERPILLAR
SIPMA
Väderstad
NIEMEYER
STRAUTMANN
BISO
Strona główna
Części według rodzaju
Tłoki silnika
JAG99-0123 Tłok + sworzeń
×
JAG99-0123 Tłok + sworzeń
Zdjęcia produktu
Tłoki silnika
JAG99-0123 Tłok + sworzeń
(0 opinii)
Producent domyślny
Indeks
: 738871M91.01
Producent
:
Producent domyślny
Dostępność:
Dostępny
Ilość
Sprawdź cenę
do porównania
do przechowalni
Opis produktu
Numery porównawcze
Podobne produkty
Porady techniczne
Zastosowanie
Parametry
Komentarze (0)
Zastosowanie CLAAS KOMBAJNY ZBOŻOWE MATADOR MATADOR GIGANT Zastosowanie CLAAS KOMBAJNY ZBOŻOWE PROTECTOR Zastosowanie CLAAS KOMBAJNY ZBOŻOWE SENATOR Zastosowanie CLAAS KOMBAJNY ZBOŻOWE DOMINATOR DOMINATOR 66 Zastosowanie CLAAS KOMBAJNY ZBOŻOWE DOMINATOR DOMINATOR 76 Zastosowanie CLAAS KOMBAJNY ZBOŻOWE DOMINATOR DOMINATOR 86 Zastosowanie CLAAS KOMBAJNY ZBOŻOWE DOMINATOR DOMINATOR 48 Zastosowanie CLAAS KOMBAJNY ZBOŻOWE DOMINATOR DOMINATOR 68 Zastosowanie CLAAS KOMBAJNY ZBOŻOWE DOMINATOR DOMINATOR78 Zastosowanie CLAAS KOMBAJNY ZBOŻOWE MERCATOR MERCATOR Zastosowanie MASSEY FERGUSON KOMBAJNY ZBOŻOWE MF 507 Zastosowanie MASSEY FERGUSON KOMBAJNY ZBOŻOWE MF 510 Zastosowanie MASSEY FERGUSON KOMBAJNY ZBOŻOWE MF 515 Zastosowanie MASSEY FERGUSON KOMBAJNY ZBOŻOWE MF 800 Zastosowanie MASSEY FERGUSON KOMBAJNY ZBOŻOWE MF 810 Zastosowanie MASSEY FERGUSON CIĄGNIKI 1000 MF 1100 Zastosowanie MASSEY FERGUSON CIĄGNIKI 1000 MF 1104 Zastosowanie MASSEY FERGUSON CIĄGNIKI 1000 MF 1250 Zastosowanie MASSEY FERGUSON CIĄGNIKI 2600 MF 2620 Zastosowanie MASSEY FERGUSON CIĄGNIKI 2600 MF 2625 Zastosowanie MASSEY FERGUSON CIĄGNIKI 2600 MF 2640 Zastosowanie MASSEY FERGUSON CIĄGNIKI 2600 MF 2645 Zastosowanie MASSEY FERGUSON CIĄGNIKI 2600 MF 2675 Zastosowanie MASSEY FERGUSON CIĄGNIKI 300 MF 399 Zastosowanie MASSEY FERGUSON CIĄGNIKI 3000 MF 3080 Zastosowanie MASSEY FERGUSON CIĄGNIKI 3000 MF 3090 Zastosowanie MASSEY FERGUSON CIĄGNIKI 3600 MF 3610 Zastosowanie MASSEY FERGUSON CIĄGNIKI 500 Zastosowanie MASSEY FERGUSON CIĄGNIKI 600 MF 699 Zastosowanie MASSEY FERGUSON KOMBAJNY ZBOŻOWE MF 530S Zastosowanie MASSEY FERGUSON KOMBAJNY ZBOŻOWE MF 805 Zastosowanie Landini CIĄGNIKI Cingolati C10500 Zastosowanie Landini CIĄGNIKI Large 10000 Zastosowanie MASSEY FERGUSON CIĄGNIKI 500 MF 530 Zastosowanie MASSEY FERGUSON CIĄGNIKI 500 MF 535 Zastosowanie MASSEY FERGUSON CIĄGNIKI 500 MF 520 Zastosowanie MASSEY FERGUSON KOMBAJNY ZBOŻOWE MF 815 Zastosowanie MASSEY FERGUSON KOMBAJNY ZBOŻOWE MF 525
02100264, 738871M91, 82158, 86704, 86740, 33-18, 02-100264, 02/100264, 270146, 31354338, 31354402, 31354571, 31354672, 31354676, 354.222.31.02, 3542223102, 58764, 82160, 82161, 85024, 86729, 86742, 86743, 922527.0001, 9225270001, E712015043, HCM86740, PER86740, S40412,
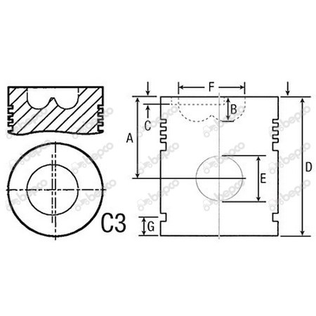
Podstawowe
D (mm):
120.65
B (mm):
25.61
E (mm):
34.925
Typ:
5-rings
F (mm):
54
A (mm):
69.85
Średnica (mm):
98.48
Na podstawie 0 opinii
ogólnie
0
0
0
0
0
Dodaj nowy komentarz
Ocena
Opinia
*
Użytkownik
*
*
Oświadczam, że zapoznałem się z
informacją
dotyczącą przetwarzania moich danych osobowych w celu wyrażenia opinii o towarze
Dodaj
Perkins A6.354, AT6.354, A6.354.1, A6.354.4
Zastosowanie
CLAAS
KOMBAJNY ZBOŻOWE
MATADOR
MATADOR GIGANT
PROTECTOR
MERCATOR
MERCATOR
SENATOR
DOMINATOR
DOMINATOR 66
DOMINATOR 76
DOMINATOR 86
DOMINATOR 48
DOMINATOR 68
DOMINATOR78
MASSEY FERGUSON
KOMBAJNY ZBOŻOWE
MF 507
MF 510
MF 515
MF 800
MF 810
MF 530S
MF 805
MF 815
MF 525
CIĄGNIKI
1000
MF 1100
MF 1104
MF 1250
2600
MF 2620
MF 2625
MF 2640
MF 2645
MF 2675
300
MF 399
3000
MF 3080
MF 3090
3600
MF 3610
500
MF 530
MF 535
MF 520
600
MF 699
Landini
CIĄGNIKI
Cingolati
C10500
Large
10000
Podobne produkty
Tłoki silnika
JAG99-0123 Tłok ze sworzniem
738871M91.02
(0)
Indeks: 738871M91.02
Powrót na stronę główną