Silnik i osprzęt silnika
Wyświetlono: 1 – 25 z 316 wyników
-
-
-
-
-
-
-
-
-
-
-
-
-
U5BG0027 Wał korbowy na simmering Perkins 3.152 z przeciwwagami GENMOT
U5BG0027.02Indeks: U5BG0027.02 -
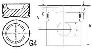
JAG99-0140 89-3626-00 Pierścienie tłokowe NE Germany, MASSEY FERGUSON 745738M91 PERKINS 41158017
745738M91.01Indeks: 745738M91.01 -
-
-
-
-
-
-
-
-
-
























